Hositrad Holland B.V.
Phone: (+31) 33 25 37 210
E-mail Hositrad Holland

Hositrad Deutschland
Phone: (+49) 941 55 82 7
E-mail Hositrad Deutschland

Loader
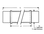
Glass to Metal Seals - Double - Ended Glass Adapters

Glass to Metal Seals - Double - Ended Glass Adapters

Group number: GMS070
Description:Glass to Metal Seals - Double - Ended Glass Adapters

Extra information

Other sizes and length available on request

CodeD1 (OD size)TLL1Price ex.Qty
TDEG-07512.70.767325.4
On request
 ×1
= in stock. = out of stock.